

- Nouveauté


SERVICE CLIENT DISPONIBLE AU
FRAIS DE PORTS
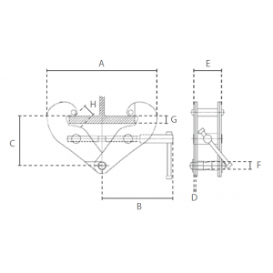
FABRICATION DANS NOSLa griffe sur profilés JG de la marque Cardon est un équipement de levage conçu pour offrir une accroche rapide, fiable et polyvalente dans les environnements industriels. Cet appareil est idéal pour fixer un appareil de levage, une poulie ou une charge allant de 1 à 10 tonnes, garantissant une manipulation sécurisée et efficace des charges lourdes sur différents types de structures métalliques.
Grâce à sa large plage de réglages, la griffe sur profilés JG permet une utilisation flexible et rapide, s’adaptant facilement aux différentes largeurs et types de profilés. La vis de réglage centrale assure une fixation simple et robuste, offrant une stabilité maximale pendant les opérations de levage. Pour plus de sécurité, cette vis peut également être verrouillée afin d’éviter tout desserrage accidentel, garantissant ainsi un levage fiable et sécurisé à tout moment.
En plus de son rôle principal de fixation pour les charges et appareils de levage, cette griffe sur profilés peut être utilisée comme point d’ancrage horizontal, ce qui augmente sa polyvalence et son utilité dans divers environnements industriels. Que ce soit pour des travaux de construction, de maintenance industrielle ou de montage de structures métalliques, la griffe JG offre une solution pratique et sécurisée pour le positionnement et la fixation des charges lourdes.
Conçue pour les professionnels, cette griffe allie robustesse, sécurité et flexibilité, permettant de réduire les risques liés à la manipulation des charges lourdes et d’optimiser l’efficacité des opérations de levage. Sa mise en place rapide et son ajustement facile en font un outil indispensable dans tout atelier ou chantier nécessitant une fixation fiable sur profilés.
En résumé, la griffe sur profilés JG Cardon est un équipement de levage incontournable pour assurer une accroche sûre, un réglage rapide et une grande polyvalence. Fiable, robuste et simple à utiliser, elle constitue une solution pratique et performante pour les professionnels exigeants en matière de levage et de sécurité industrielle.